Котел 1.0 с ОУР в Тобыле

Котел 1.0 с топкой ОУР
Котел 1.0 МВт с ОУР
Чертеж котла КВр 1.0 с ОУР
Котел КВр 1.0 с ОУР чертеж
Котел с топкой ОУР 1.0 МВт
Котел 1.0 МВт с топкой ОУР
Водогрейный котел 1.0 с топкой ОУР
Водогрейный котел 1.0 МВт с ОУР
Промышленный котел 1.0 ОУР с золоуловителем
Котел 1.0 МВт ОУР с золоуловителем промышленный
Водогрейный котел 1.0 с ОУР - изготовление
Изготовление водогрейного котла 1.0 МВт с ОУР
Котел 1.0 с ОУР - изготовление
Изготовление котла 1.0 МВт с ОУР
Котел 1.0 с охлаждаемыми колосниками - обмуровка
Обмуровка котла 1.0 МВт с охлаждаемыми колосниками
Шибер газохода к котлу 1.0 с ОУР
Шибер газохода котла 1.0 МВт с ОУР
Котлы 1.0 с ОУР - производство
Производство котлов 1.0 МВт с ОУР
Котел 1.0 - топка с охлаждаемыми колосниками
Топка с охлаждаемыми колосниками котла 1.0 МВт
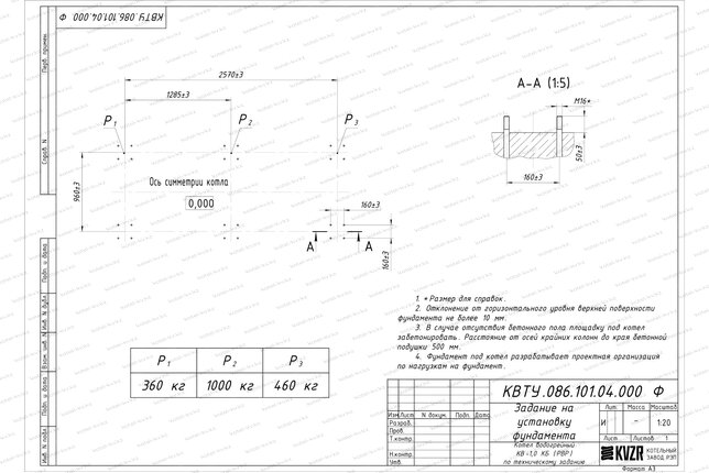
Чертеж изготовления фундамента котла КВр 1.0 с ОУР
Чертеж фундамента котла КВр 1.0 с ОУР
Котел 1.0 с топкой ОУР
Чертеж котла КВр 1.0 с ОУР
Котел с топкой ОУР 1.0 МВт
Водогрейный котел 1.0 с топкой ОУР
Промышленный котел 1.0 ОУР с золоуловителем
Водогрейный котел 1.0 с ОУР - изготовление
Котел 1.0 с ОУР - изготовление
Котел 1.0 с охлаждаемыми колосниками - обмуровка
Шибер газохода к котлу 1.0 с ОУР
Котлы 1.0 с ОУР - производство
Котел 1.0 - топка с охлаждаемыми колосниками
Чертеж изготовления фундамента котла КВр 1.0 с ОУР
Цена
4 929 000 ₸
От 4 929 000 ₸ с доставкой до г.
  • Топка с водоохлаждаемой беспровальной решеткой 
  • Равномерная подача воздуха в слой топлива
  • Работа на низкокалорийных углях разных фракций

Технические характеристики котла 1.0 с ОУР

МаркаКотел 1.0 с ОУР
ВидВодогрейный
Тип отопительного котлаТвердотопливный
БрендHEATEXPERT
ТипКотел КВр
Вид топкиРучная, ОУР
Максимальная тепловая мощность1 МВт
Максимальная тепловая мощность1000 кВт
Максимальная тепловая мощность0.86 Гкал
Диапазон регулирования мощности50-100 %
ТопливоТвердое, Уголь
Низшая теплота сгорания проектного топлива5230 кКал/кг
КПД котла на УГЛЕ, не менее82 %
Расход УГЛЯ среднечасовой за отопительный сезон114.9 кг/ч
Расход УГЛЯ при максимальной нагрузке котла201 кг/ч
Расход условного топлива150 кг/ч
Минимальная температура воды на входе в котел55 °С
Максимальная температура воды на выходе из котла115 °С
Давление воды, не более0.3-0.6 (3-6) МПа (кгс/см²)
Номинальный расход теплоносителя34 м³/ч
Расход теплоносителя через котел min-max26-43 м³/ч
Гидравлическое сопротивление при номинальном расходене более 0.07 (0.7) МПа (кгс/см²)
Аэродинамическое сопротивление225 (22.5) Па (мм. вод. ст.)
Разряжение в топочной камере20-40 (2-4) Па (мм. вод. ст.)
Объем уходящих газов3250 м³/ч
Температура уходящих газов250 °С
ТягаУравновешенная
Водяной объем котла740 л
Объем топочной камеры2.1 м³
Размер топочной камеры, длина*ширина*высота1465х960х1500 мм
Активная площадь решетки горения1.4 м²
Присоединительные размеры по водяному тракту100 Ду
Присоединительные размеры газохода уходящих газов, ширина*высота / сечение600х300 / 0.18 мм/м²
Габаритные размеры котла, длина*ширина*высота2850х1600х2150 мм
Масса2700 кг
Конструкция котлаВодотрубная
Количество контуровОдноконтурный
РазмещениеНапольный
Тип камеры сгоранияОткрытый
УправлениеЭлектронное
Принцип работы твердотопливного котлаКлассический
ЭнергонезависимыйНет
Тип питанияТрехфазное
Встроенный циркуляционный насосНет
Встроенный расширительный бакНет
ЭнергоэффективностьВысокая
Отапливаемая площадьот 7700 до 11000 м²
Отапливаемый объемот 22900 до 32900 м³

Котел 1.0 МВт с топкой ОУР в Тобыле

Водогрейный котел с топкой ОУР мощностью 1.0 МВт устанавливается в котельных для отопления и горячего водоснабжения больших промышленных предприятий и маленьких зданий.

Отопительный котел 1.0 МВт с водоохлаждаемыми колосниками использует в качестве топлива каменный и бурый уголь, возможна работа на дровах, как на резервном виде топлива. Агрегат работает в открытых и закрытых системах теплоснабжения с принудительной циркуляцией воды при температуре нагрева воды до 115 °С и рабочем давлении до 0,6 МПа.

Котел 1.0 МВт с водяными колосниками устройство

Промышленный стальной котел 1,0 МВт с охлаждаемыми колосниками – водотрубный, гладкотрубный, газоплотный, напольный, выполняется горизонтальным моноблоком.

Котельный блок состоит из каркаса с теплоизоляцией, обшитый стальными листами, водоохлаждаемой топки ОУР с зольником и конвективного пакета. На фронтовой плите устанавливается дверка для загрузки угля и выгрузки шлака, при сжигании дров агрегат выполняется двухдверным. Чистка конвективного пакета производится через люк.

Топка ОУР

Для того чтобы исключить теплопотери и присосы холодного воздуха в топочное пространство, топка ОУР с водоохлаждаемыми колосниками выполняется газоплотной.

Водонаполненные колосники состоят из ряда труб, по которым проходит теплоноситель. Циркулирующая вода охлаждает трубы колосника, тем самым не допуская перегрева и прогорания решетки, способствует лучшему теплосъему.

Между трубами привариваются стальные полосы с множеством отверстий небольшого диаметра. Отверстия, расположенные по всей площади уголковой решетки, необходимы для равномерной подачи воздуха в слой топлива. Небольшой диаметр отверстий исключает провал золы в зольный короб, топливо находится в топке до полного выгорания, тем самым уменьшая химический и механический недожег. Применение водонагревательного котла 1 0 МВт с охлаждаемыми колосниками эффективно при сжигании низкосортных углей разных фракций.

Конвективная часть

Конвективная поверхность нагревательного котла 1.0 МВт с охлаждаемой уголковой решеткой выполнена из плотных регистров, вставленных друг в друга в шахматном порядке. Это обеспечивает значительную нагревательную площадь, высокий коэффициент передачи тепла и компактность котла. В связи с этим горячие дымовые газы подвергаются охлаждению до 200-180 °С.

Гидравлическая схема котла

Конструкция производственного котла с водяной решеткой 1.0 МВт для отопления предполагает минимальные требования к водоподготовке. Скорость движения воды в трубах вызывает турбулизацию водного потока, что препятствует отложению солей и образованию накипи на стенках труб. Коллекторы котла снабжены многочисленными перегородками, которые не допускают образование застойных зон, возникновение теплового напряжения в трубах и перегрев.

Принцип работы котла 1.0 МВт с водяными колосниками

Загрузка топлива в водотрубный котел 1,0 МВт с водоохлаждаемой решеткой производится через загрузочную дверку. Топливо распределяется по колосникам равномерным слоем, высотой 200 мм.

Дымовые газы проходят две конвективные ступени и выводятся в выходное окно.

Шлак выгребается из топки и зольного короба и транспортируется в отвал.

Комплект поставки

Цена на котел 1.0 МВт с водяными колосниками включает базовую комплектацию. В состав базовой комплектации входит: котельный блок, топка, вентилятор поддува, затворы, предохранительные клапаны, вентили, манометры, термометры, трехходовые краны.

Дополнительная комплектация

  • автоматика – обеспечивает управление и безопасность котла;
  • дымосос – создает разряжение в котле и исключает попадание дыма в помещение;
  • золоуловитель – применяется для улавливания золы из дымовых газов;
  • циркуляционный насос - обеспечивает циркуляцию воды в котлоагрегате;
  • подпиточный насос – позволяет пополнять объем теплоносителя в контуре.

Купить котел 1.0 МВт с ОУР

Для того чтобы купить котел 1.0 МВт с водяными колосниками в Тобыле вы можете сделать заявку по телефону +7-7172-69-59-73, либо оформить заявку онлайн. Менеджеры дадут консультацию по подбору вспомогательного оборудования для выбранных вами моделей и рассчитают стоимость доставки. Транспортирование котлоагрегата и вспомогательного оборудования до объекта осуществляется автомобильным транспортом.

Комплект поставки котла 1.0 с ОУР

Вентилятор
Вентилятор 2 с дв. 2,2/3000
1 штука
Затвор Ду 100
Затвор Ду 100
2 штуки
Предохранительный клапан 17с28нж Ду 50
Клапан предохранительный 17с28нж Ду 50
1 штука
Клапан обратный
Клапан обратный
1 штука
Манометр МП 160
Манометр МП 160
2 штуки
Кран трехходовой ДУ 15
Кран Ду 15
2 штуки
Термометр ТТЖО
Термометр ТТЖО
2 штуки
Оправа термометра ОПТ
Оправа ОПТ
2 штуки
Вентиль Ду 15
Вентиль Ду 15
4 штуки
Вентиль Ду 20
Вентиль Ду 20
9 штук

Вспомогательное оборудование для работы котла 1.0 с ОУР

Насос К консольный
К 80-65-160
Цена 455 376 тг.
Насос К консольный
К 50-32-125
Цена 283 656 тг.
Насос TD
Насос TD40-36G2 (5.5 кВт)
Цена 1 225 572 тг.
Насос TD
Насос TD80-29G2 (7.5 кВт)
Цена 1 294 896 тг.
Насос CHL
Насос CHL4-40 (0.75 кВт)
Цена 352 344 тг.
Дымосос ДН 6.3
Цена 644 904 тг.
Золоуловитель ЗУ 1.0
Цена 387 960 тг.
Дымосос ДН 8
Цена 1 380 756 тг.

Аналоги котла 1.0 с ОУР

Котел КВр-1.0 К
Котел КВр 1.0 МВт
Вид топкиРучная, Колосники
Максимальная тепловая мощность, МВт1
ТопливоТвердое, Уголь
Отапливаемая площадь, м²от 7700 до 11000
Цена 5 037 120 тг.
Котел 1.0 МВт дрова уголь
Котел 1.0 МВт уголь дрова
Вид топкиРучная, Колосники, ОУР
Максимальная тепловая мощность, МВт1
ТопливоТвердое, Уголь, Дрова
Отапливаемая площадь, м²от 7700 до 11000
Цена 5 386 920 тг.
Котел КВм 1.0 МВт с топкой РПК
Котел КВм 1.0 МВт с РПК
Вид топкиМеханическая, РПК
Максимальная тепловая мощность, МВт1
ТопливоТвердое, Уголь
Отапливаемая площадь, м²от 7700 до 11000
Цена 6 347 280 тг.
1.0 МВт котел на дровах
Котел на дровах 1.0 МВт
Вид топкиРучная, Колосники, ОУР
Максимальная тепловая мощность, МВт1
ТопливоТвердое, Дрова
Отапливаемая площадь, м²от 7700 до 11000
Цена 5 711 280 тг.
Котел 0.93 МВт с топкой ОУР
Котел 0.93 с ОУР
Вид топкиРучная, ОУР
Максимальная тепловая мощность, МВт0.93
ТопливоТвердое, Уголь
Отапливаемая площадь, м²от 7100 до 10200
Цена 4 350 240 тг.
Котел 1.16 с топкой ОУР
Котел 1.16 с ОУР
Вид топкиРучная, ОУР
Максимальная тепловая мощность, МВт1.16
ТопливоТвердое, Уголь
Отапливаемая площадь, м²от 8900 до 12800
Цена 5 024 400 тг.

Сертификат и качество котла 1.0 с ОУР

Сертификат на водогрейные котлы на твердом и жидком топливе
Сертификат на водогрейные котлы на твердом топливе

Собственное производство

Котельный завод производит
  • Паровые котлы от 300 кг до 2.5 тонны пара в час
  • Промышленные водогрейные котлы от 150 КВт до 4 МВт на всех видах топлива
  • Механические топки ТШПМ, шурующая планка и ТЛПХ, ленточное полотно прямого хода
  • Циклоны для очистки воздуха и дымовых газов для производств и промышленных отраслей
  • Транспортеры и системы топливоподачи и шлакоудаления
Подробнее о производстве
Собственное производство
Смотреть видео
с производства